首页
关于我们
公司简介
公司发展历程
公司团队
资质证书
行业
油气钻采
机械加工
环保
矿山开采
航空航天
新能源汽车
产品
硬质合金
司太立
陶瓷
金属陶瓷
资源
公司样本
公司牌号
公司新闻
联系我们
公司总部
柏林办公室
石油开采
首页
方案
石油开采
工程项目管理与施工过程精细化管控解决方案
2022-09-24 23:21
石油开采
admin
来源:
本站
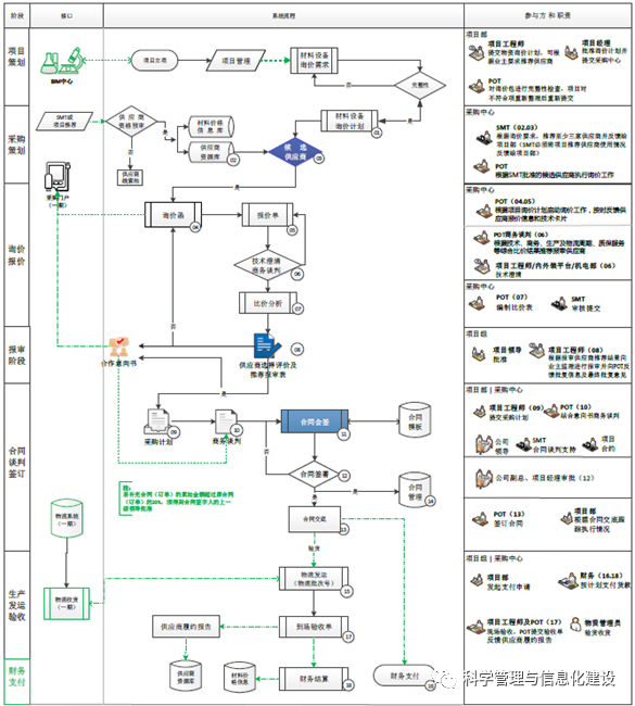
##01. 前言 随着建筑工程行业市场竞争的加剧,行业的生存环境越来越恶劣,人为管控已经无法满足各公司的需求,管理水平落后已是制约许多施工企业寻求进一步发展的障碍。因此,全面整合内外资源、优化采购流程、强化管理效率、嵌入风险控制和评估体系,引入大数据、人工智能等先进技术,提升公司整体业务能力和对外响应能力已经是很多施工企业密切关心的问题。 ##02. 需求分析 - 建筑工程企业从项目前期投标开始、到项目立项、施工过程、竣工结束的整个过程中,企业没有清晰规范化的管控; - 由于企业的各个项目地点分散,企业总部对于各个项目又缺乏有效的管控手段,因此就出现了在项目中施工计划难以落实到位,工程项目的进度无法保证,项目运作放任自流的情况; - 在成本管理方面缺乏标准化的制度,成本的发生经常与计划相脱节,不能实时统计和呈现,当发现成本超支时也已经无法再挽回; - 企业无法对多个项目进行具体有效的管控,企业领导者无法有效的掌握企业整体运营,因此也难以从整体上对公司资源进行整体化把控; - 在物资材料管理方面,现阶段大部分施工单位工程物资管理混乱,物资计划不合理、计划随意或是根本没有物资计划等情况不同程度存在。导致计划制定不合理,出现物料短 - 缺或物料过剩囤积的情况,导致工程项目停工,造成不必要的经济损失,拉高了工程施工成本; - 工程涉及多方合作,关系复杂,造成往来结算不清、责任划分不清。 ##03. 解决方案 西华升腾科技有限公司深刻理解建筑工程管理理念,不断总结成功实施工程项目信息化先进经验,将工业企业精细化管理理念、方法融入工程项目管理,规划出的适合工程项目管理、施工过程精细化管控的解决方案。 ### 1、采购管理信息系统 建立采购中心从“决策管理层→管理控制层→业务运作层→业务支持层”纵向的透明数据信息网络,保证信息的真实性、及时性、准确性和完整性,为公司的经营决策提供科学的手段与依据;建立采购中心的风险监控平台,加强采购领域异常和重大事项的监控与反馈机制,帮助公司更有效地对下属各项目及合作单位进行监控,降低公司整体运营风险;  ### 2、设备物资管理系统 以集团设备物资管理实际业务为重点,将固定资产、工程物资、机械设备等,在计划、采购、物流运输、出口报关、仓储、使用和处置、出口退税等环节,进行规范化、标准化、信息化、智能化管理融为一体的新一代企业管理平台;  ### 3、综合项目及施工管理平台 - 实现成本管控线上管理,过程管理(事前预警),过程干预,事后总结; - 现场物资/设备/劳务(分包)线上管理; - 通过成本策划,策划出项目物资/设备/劳务用量,通过招采/定标/合同,限定供应商供货量,限定项目使用量,杜绝项目现场管理乱象; - 工作推送(策划完成后,生成物资招采待办等); - 项目报销审核完成后自动生成财务凭证; - 工作流程审批OA化;  ## 04.全新的设计理念 全新的管理思想 ####设计思想 以工程项目计划与过程管控为重点,将项目成本管理 、招采定标、合同管理、分包管理、质量管理、物资管理、现场管理、结算管理、设备机械管理、工程资料管理风险管控等环节,进行规范化、标准化、信息化、智能化管理融为一体的新一代企业管理平台。 #### 设计原则 - 先进性,兼容性、安全性、友好性、拓展性、集成性、开放性、易维护 - 规范化、标准化、组件化、平台化 ####建设目标 - 实现公司对项目的合同管理、信息管理及项目档案资料的管理等“三管” - 实现公司对项目的进度控制、成本控制、质量控制、安全控制等“四控” - 实现公司与项目部,各项目间的部门高效协调 - 帮助集团、子公司、项目部各个管理层级,能够全面、及时掌控集团各类项目的项目状态、进度计划完成情况、项目成本情况、项目物资情况、项目利润情况 ###2、系统介绍 #### 项目台账 项目立项一般是指这个项目正式成立,得到企业各单位部门的审议批准,并列入项目实施组织或者企业计划的过程。  ####3、项目分析  ####4、 成本配置模型  ####5、 供应商数据分析  ####6、采购业务流程  ####7、智能化合同管理  ####8、合同编辑  #### 9、电子签批  ####10、设备物资管理  - 在全公司范围建立统一的固定资产、设备分类编码,对固定资产、设备卡片等编码进行规划,在系统中建立固定资产及设备库登记,对固定资产及设备进行统一规范的管理; - 公司对所有设备的分类、使用、分布及费用需生成各种统计分析报表,为企业进行设备统一的规划、购置、调配提供数据基础,提高企业的运行效率。 ####11、支出资金查询 
方案分类
机械加工
石油开采
更多
点击排行
工程项目管理与施工过程精细化管控解决方案
2022-09-24 23:21
更多
最新资讯
工程项目管理与施工过程精细化管控解决方案
2022-09-24 23:21
更多
话题
航空航天
5
棒料、板材
4
机械加工
2
环保
2
耐磨件
2
离心机耐磨件
2
新能源汽车
1
切削工具
1
模具
1
氧化锆
1
网站导航
首页
关于我们
公司简介
公司发展历程
公司团队
资质证书
行业
油气钻采
机械加工
环保
矿山开采
航空航天
新能源汽车
产品
硬质合金
司太立
陶瓷
金属陶瓷
资源
公司样本
公司牌号
公司新闻
联系我们
公司总部
柏林办公室